Модуль Tibbo EM500 теперь с поддержкой Wi-Fi и flash-памяти

Модуль Tibbo EM500 теперь с поддержкой Wi-Fi и flash-памяти

Basic программируемый модуль Tibbo EM500 теперь поддерживает беспроводную технологию связи Wi-Fi (посредством подключения  миниатюрного модуля GA1000), а также появилась возможность подключения флэш-накопителя.

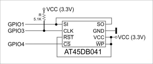
board Схематическое изображение подключения флэш-диска к Tibbo EM500.



Напоминаем, что Tibbo EM500 - это миниатюрный BASIC-программируемый встраиваемый модуль. В комбинации с RJ45 разъемом (со встроенной трансформаторной развязкой), EM500 занимает лишь 28.5x18.5мм пространства печатной платы.

Модуль включает 100Base/T Ethernet порт, 1 последовательный порт, 8 линий ввода/вывода. Модуль тщательно разрабатывался с целью удовлетворить потребности управления сетевыми устройствами.

Компактные размеры, компактная вертикальная часть конструкции, низкая потребляемость электроэнергии, а также инновационные линии управления светодиодов двойного назначения делают модуль подходящим для миниатюрных конструкций стоимости затрат.

Зв'яжіться з нами